一、電源串聯有兩種應用,一是正負電壓的應用;一是增加輸出電壓的應用。其配接方式如下:
(1)正負電壓之接法如下圖。
* 因為部分監控訊號與輸出地短路,建議控制監控訊號采獨立隔離控制,以免造成產品損害
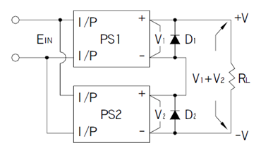
(2)增加輸出電壓(電流不變),電源輸出端需加并二極管,以防止起動時造成電源內部損壞,二極管耐壓需大于V1+V2(如下圖),瞬間電流需大于額定輸出電流。
二、電源并聯主要用途為增加輸出總電流,純并聯功能產品因為輸出無配置防逆電流相關線路,無法滿足備援相關應用需求,如果備援應用請選擇具備援功能產品或系統增備援模塊。并聯時需留意輸出電壓及配線阻抗誤差要小。另外需注意以下事項:
二極管并聯法
1. 輸出電壓誤差盡量調到接近(誤差小于0.2V)。
2. 每一臺間需以粗短配線連接后再接至負載。
3. 并聯后,輸出為并聯總瓦數之90%。無并聯功能(一般機型皆可參考)可于每臺電源輸出正端各串加二極管(如圖 7.8),二極管(如耐壓許可,可選用蕭特基二極管)耐電流量需大于輸出電流規格并加合適散熱片,此部份只適合備用功能,使用者應自行實驗其合適性。
4. 為確保并聯分流效果,一般并聯使用總臺數限制4-6 臺。
5. 某些機型需將Control Connector 之+S,-S 一并連接,以減少輸出跳動不穩現象。
6、對于小電流的,也可選用此方法,在每臺電源輸出正端各串一小電阻,電阻值0.1Ω(100m?)此種方式需考慮電阻散熱及損耗,使用者需自行實驗其合適性,(適合小電流機型)。
電阻并聯法
三、并聯與冗余/均流有什么差異?
并聯:簡單的把電源輸出接到一起,正接正,負接負,大部分電源可以直接并接,如果考慮穩定性最好串接二極管,防止電壓外灌,需要注意有些電源線路架構不支持并聯,會炸機。
冗余:線路架構允許并聯,且不會炸機,但是需注意每臺電源電壓差異不大,避免造成電源帶載不平衡。
均流:可以并聯使用,通過電源內部檢測,使其并聯的每一臺電源平均輸出電流。
經過測試:
1、兩臺相同電源并聯,電壓高的輸出(不同型號電源無法確認)
2、普通的二極管并聯冗余模塊,壓差0.7V左右
3、用MOS管驅動的冗余模塊,壓差在0.2V左右
4、普通的冗余模塊,只能支持并聯,不建議升功率使用,除非能手動調節使其兩臺電源電壓一致。一般情況下不建議升功率使用
5、均流冗余模塊,支持并聯,可以升功率使用,價格較貴。
我司提供各種冗余/均流的電源方案,詳情請致電聯系!












